| 1.六角穴付止めねじ マイクロサイズ(細径) C.C.ポイント |
| 製品名 |
 |
六角穴付止めねじ
マイクロサイズ(細径)
C.C.(CUP&CONE)ポイント |
|
| 規格 |
JIS B 1177
(ISO 4025/4027/4029) |
| 強度 |
JIS B 1053
グレード45H(ISO 898-5) |
| 材料 |
SNCM240 |
| ねじ精度 |
5g 6g |
| 硬度 |
HRC 50~53 |
| 先端形状 |
|
| C.C.(CUP & CONE)ポイント 製造範囲 |
締付トルク(Nm) |
レンチの
呼び |
| 呼び径 |
長さ |
t1 |
t2 |
| d |
2 |
2.5 |
3 |
4 |
5 |
6 |
8 |
10 |
12 |
● |
○ |
| M2.0 |
● |
● |
○ |
○ |
○ |
○ |
○ |
○ |
|
0.12 |
0.17 |
0.89 |
| M2.5 |
|
● |
● |
○ |
○ |
○ |
○ |
○ |
|
0.4 |
0.5 |
1.27 |
| M2.6 |
|
● |
● |
○ |
○ |
○ |
○ |
○ |
|
0.4 |
0.5 |
1.27 |
| M3 |
|
● |
● |
○ |
○ |
○ |
○ |
○ |
○ |
0.6 |
0.78 |
1.5 |
| M4 |
|
|
|
● |
○ |
○ |
○ |
○ |
○ |
1.4 |
1.8 |
2 |
| M5 |
|
|
|
|
● |
○ |
○ |
○ |
○ |
2.8 |
3.6 |
2.5 |
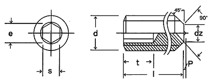
| 呼び径 |
ピッチ |
六角穴 |
先端部 |
六角穴深さ(mm) |
| 対辺 |
対角 |
深さ |
dz |
P |
t1 |
t2 |
| d |
p |
s |
e |
t1 |
t2 |
min. |
max. |
max |
● |
○ |
| M2.0 |
0.4 |
0.9 |
1.011 |
0.8 |
1.7 |
0.9 |
1.1 |
0.15 |
0.8 |
1.7 |
| M2.5 |
0.45 |
1.3 |
1.454 |
1.2 |
2 |
1.2 |
1.4 |
0.2 |
1.2 |
2 |
| M2.6 |
0.45 |
1.3 |
1.454 |
1.2 |
2 |
1.2 |
1.4 |
0.2 |
1.2 |
2 |
| M3 |
0.5 |
1.5 |
1.733 |
1.4 |
2 |
1.4 |
1.7 |
0.2 |
1.2 |
2 |
| M4 |
0.7 |
2 |
2.303 |
1.5 |
2.5 |
1.9 |
2.2 |
0.2 |
1.5 |
2.5 |
| M5 |
0.8 |
2.5 |
2.873 |
2 |
3 |
2.4 |
2.8 |
0.25 |
2 |
3 |
  |
くぼみ先・平先
マイクロサイズ
M1.6~M5
 |
 |
ギザ歯付
M3~M5
 |
| |
|
|
|
 |
C.C. (CAP & CONE)
ポイント
M2~M5
 |
 |
尖り先
M2~M5
 |
|
|
メールでのお問合せ |
|
 |
tokuhan@yura-sansyo.co.jp |
| |
- e-mailでのご回答が不達の場合は、電話や郵送でのご回答をさせていただきますので、必ず電話番号、お名前、住所等のご記入をお願いいたします。
- 土日・祝日を挟んだ場合やご質問の内容によっては、ご回答までに日数がかかる場合がございます。予めご了承ください。
|
|
|
電話でのお問合せ |
|
 |
06-6532-1331 |
| |
受付時間:午前9時~午後5時
休業日:土曜、日曜、祝日、年末年始(12/29~1/4) |
|
|
|